支持定制,品质高端稳定,安全保密
1比1抄数复刻,助力产品开发
从模具到各种成型工艺的技术专家
从塑胶产品设计到批量制造一条龙服务,让客户省心
20年技术积累,解决塑胶件各类制造难题
选择鸿仁,可信赖的合作伙伴
产品特点
1、美观耐用,做工精细,表面皮纹处理更美观,材质耐磨性强,韧性好,不易破碎,倒钩设计,与物体紧密配合长时间不易脱落。
2、实用性好,非常适合堵住锋利的管口边缘,端面厚重起到很好的保护作用,周边螺纹设计易于安装,同时适用不同壁厚。
3、适用性好,广泛应用于办公家具,仓储货架,家电,运动器材,医疗设备,自动化机械等。
4、规格齐全,公制和英制规格均有生产。
5、环保产品,安装使用时对环境无污染,提升目标产品品质。
公制金属螺纹式圆管塞
metal-threaded-inserts-round-metric
可承重 HDPE
配套调节脚、倾斜脚垫和脚轮使用
金属螺纹可以重复调节

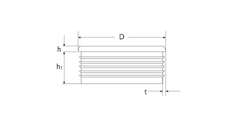
| 编号 | D(mm) | 螺纹规格 | t(mm) | h(mm) | h1(mm) |
| HRLWY19-M6 | 19 | M6 | 1.0-2.0 | 5 | 20 |
| HRYLW20-M6 | 20 | M6 | 1.0-2.0 | 5 | 20 |
| HRYLW20-M8 | 20 | M8 | 1.0-2.0 | 5 | 20 |
| HRYLW25-M6 | 25 | M6 | 1.0-2.0 | 5 | 20 |
| HRYLW25-M8 | 25 | M8 | 1.0-2.0 | 5 | 20 |
| HRYLW30-M8 | 30 | M8 | 1.0-2.0 | 5 | 20 |
| HRYLW30-M10 | 30 | M10 | 1.0-2.0 | 5 | 20 |
| HRYLW32-M8 | 32 | M8 | 1.0-2.0 | 5 | 20 |
| HRYLW32-M10 | 32 | M10 | 1.0-2.0 | 5 | 20 |
| HRYLW35-M8 | 35 | M8 | 1.0-2.0 | 5 | 20 |
| HRYLW35-M10 | 35 | M10 | 1.0-2.0 | 5 | 20 |
| HRYLW38-M8 | 38 | M8 | 1.0-2.0 | 5 | 20 |
| HRYLW38-M10 | 38 | M10 | 1.0-2.0 | 5 | 20 |
| HRYLW38-M12 | 38 | M12 | 1.0-2.0 | 5 | 20 |
| HRYLW40-M8 | 40 | M8 | 1.0-2.0 | 5 | 20 |
| HRYLW40-M10 | 40 | M10 | 1.0-2.0 | 5 | 20 |
| HRYLW40-M12 | 40 | M12 | 1.0-2.0 | 5 | 20 |
| HRYLW50-M8 | 50 | M8 | 1.0-2.0 | 5 | 20 |
| HRYLW50-M10 | 50 | M10 | 1.0-2.0 | 5 | 20 |
| HRYLW50-M12 | 50 | M12 | 1.0-2.0 | 5 | 20 |
| HRYLW60-M8 | 60 | M8 | 1.0-2.0 | 5 | 20 |
| HRYLW60-M10 | 60 | M10 | 1.0-2.0 | 5 | 20 |
| HRYLW60-M12 | 60 | M12 | 1.0-2.0 | 5 | 20 |
包装方式

内包装:透明塑料袋
外包装:纸箱

内包装:透明塑料袋
外包装:纸箱
钢管塑料管塞堵头厂家选HOOREN ,我司专注生产、研发、各种钢管内塞,塑料堵头,孔塞,管塞盖堵系列产品,型号多、规格全,还可以根据要求开模订制,一站式购物体验,总有一款适合您的要求。
备注:网页所标价格非销售价格,详情请咨询来电,价格更优惠哦!
【商家简介】是中国先进的塑料零部件供应商,产品涉及工业、医疗、消费、健康、物流等各领域,公司分别在苏州余姚无锡设有工厂,主要从事注塑模具研发、设计、制造和高品质塑料制品生产。在工业4.0的发展趋势下,将14年积累的优势服务于更多的中小微型企业和创业型公司,助力越来越多的中国民族智造品牌不断崛起。...
【温馨提示】以上是苏州基鸿仁模具有限公司供应的塑料零件--金属螺母圆管塞-金属螺母圆管塞_ 金属螺纹塞_鸿仁的详细信息,欢迎您在驿路商务查看塑料零件的新的价格、厂家、型号、图片等信息。本页所展示的信息由企业自行提供,内容的真实性、准确性和合法性由发布企业负责,"驿路商务"对此不承担任何保证责任。同时郑重提醒各位买/卖家,交易前请详细核实对方身份,切勿随意打款或发货,谨防上当受骗。如发现虚假信息,请积极举报。[我要举报]









粤公网安备 44190002000523号